产品分类
产品详情您的位置:首页 > 供应产品 > 平板式测力传感器 > 平板式测力传感器LFQ-W100
![]() |
|
产品特点及用途:
不锈钢材料,毫伏信号输出,后端可配置放大器,显示仪表等相配套设备。
本产品主要应用于受力面积大等压装设备,如手机电池滚压、手机装配等。
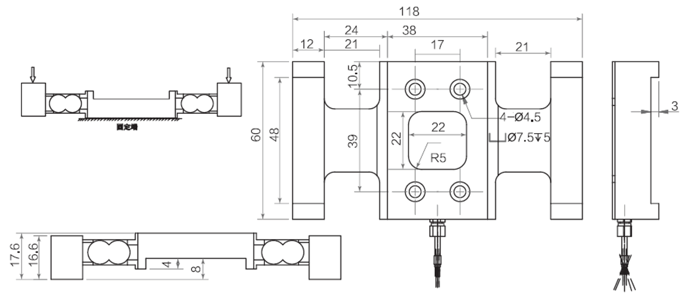
产品尺寸图:
产品主要的技术参数:
|
量程 Capacity |
0- 10, 20, 30, 50, 100kg |
材质 Material |
不锈钢 Stainless Steel |
|
输出灵敏度 Rated Output |
2.0 ±10%mV/V |
综合精度 Total Accuracy |
0.1%F.S. |
|
零点输出 Zero Balance |
± 2 % F.S. |
绝缘电阻 Insulation |
≥5000MΩ/100VDC |
|
非线性 Non-linearity |
0.05% F.S. |
使用电压 Recommended Excitation |
3-10V |
|
滞后 Hysteresis |
0.05% F.S. |
响应频率 Frequency |
600 Hz |
|
重复性 Repeatability |
0.05% F.S. |
温度补偿范围 Compensated Temp Range |
- 10 ~ 60 ℃ |
|
蠕变 (30分钟) Creep (30min) |
0.05% F.S. |
工作温度 范围 Operating Temp Range |
- 20 ~ 80℃ |
|
温度灵敏度漂移Temp Effect on Output |
0.05% F.S. / 10℃ |
安全超载 Safe Load Limit |
150% |
|
零点温度漂移 Temp Effect on Zero |
0.05% F.S. / 10℃ |
极限超载 Ultimate Load Limit |
200% |
|
输入/输出电阻 Input Impedance |
750±10Ω/700± 3Ω |
电缆线尺寸 Cable Size |
φ3 x 3m |
|
电缆线连接方式 Wire Connection |
Ex + : 红 Red; Ex - : 黑 Black; Sig + : 绿 Green; Sig - : 白 White |
||
TEDS可选 TEDS available
其他信息:
如您有其他的需要,如量程、尺寸、安装位置、内置变送器等其他要求,请于我们联系,我们可为您量身定做。
也欢迎您来我司莅临指导。
上一条:微应变式测力传感器LFQ-40P
下一条:平板式测力传感器LFC-150
- 都有哪些测力的传感器?原理是什么?2020-08-24
- 传感器在机械工程中的应用2020-08-24
- 拉压力传感器检测系统的干扰来源及应对措施2020-08-10
- CMM东莞电子展倒计时3天2020-07-06






