产品分类
产品详情您的位置:首页 > 供应产品 > 螺杆拉压式传感器 > 微型拉式传感器LFT-20
![]() |
|
产品特点及用途:
拉力测试、插拔力测试仪,铆钉机,焊接机,冷热压贴膜机,键盘按钮手感度测试仪等拉压力测试仪器,自动化设备领域,测试领域。
Mainly applied in tension and compression testing instruments
and automatic equipments fields,such as insertion force test
instrument,riveting machine,welding machine,hot & cold lamination
machine,feeling tester for keyboard switch, and etc.
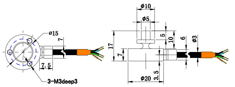
产品量程及尺寸图纸:
产品主要的技术参数:
|
量程 Capacity |
0~5,10,20,30,50kg |
材质 Material |
不锈钢 Stainless Steel |
|
输出灵敏度 Rated Output |
1.0-1.5 mV/V |
输出电阻 Output Impedance |
1000±3Ω |
|
零点输出 Zero Balance |
±2%F.S. |
绝缘电阻 Insulation |
≥5000MΩ/100VDC |
|
非线性 Non-linearity |
0.5%F.S. |
使用电压 Recommended Excitation |
5-10V |
|
滞后 Hysteresis |
0.5%F.S. |
最大使用电压 Maximum Excitation |
15V |
|
重复性 Repeatability |
0.5%F.S. |
温度补偿范围 Compensated Temp Range |
-10~60℃ |
|
蠕变 (30分钟)Creep (30min) |
0.1%F.S. |
工作温度 范围 Operating Temp Range |
-20~80℃ |
|
温度灵敏度漂移Temp Effect on Output |
0.1%F.S./10℃ |
安全超载 Safe Load Limit |
120% |
|
零点温度漂移 Temp Effect on Zero |
0.1%F.S./10℃ |
极限超载 Ultimate Load Limit |
150% |
|
输入电阻 Input Impedance |
1000±5Ω |
电缆线尺寸 Cable Size |
φ3x 3m |
|
电缆线连接方式Wire Connection |
Ex + : 红 Red; Ex - : 黑 Black; Sig + : 绿 Green; Sig - : 白 White |
||
其他信息:
如您有其他的需要,如量程、尺寸、安装位置、内置变送器等其他要求,请于我们联系,我们可为您量身定做。
也欢迎您来我司莅临指导。
上一条:微型拉式传感器LFT-13D
下一条:微型压式传感器LFC-13






