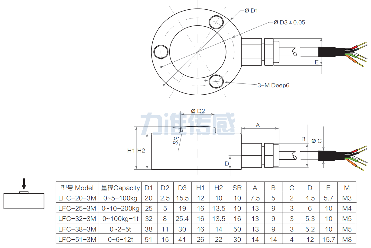
產品量程及尺寸圖紙:

產品主要的技術參數:
量程 Capacity | 0~5,10,20,30,50,100,200,300,500k,1,2,3,5,10,12t | 零點溫度漂移 Temp Effect on Zero | ±0.05%F.S./10℃ |
材質 Material | 不銹鋼 Stainless Steel | 輸入/輸出阻抗 Impedance | 350(750)±10Ω / 350(700)±5Ω |
輸出靈敏度 Rated Output | 1.0~1.5mV/V
| 絕緣電阻 Insulation | ≥5000MΩ/100VDC |
零點輸出 Zero Balance | ±2%F.S. | 使用電壓 Recommended Excitation | 5-10V |
非線性 Non-linearity | ±0.5%F.S. | 工作溫度范圍 Operating Temp Range | -20~80℃ |
滯后 Hysteresis | ±0.5%F.S. | 安全過載 Safe Overload | 120% |
重復性 Repeatability | ±0.5%F.S. | 極限過載Maximum Overload | 150% |
蠕變 (30分鐘)Creep (30min) | ±0.05%F.S. | 電纜線規格 Cable Specifications | φ2-4x 3m |
溫度靈敏度漂移Temp Effect on Output | ±0.05%F.S./10℃ | TEDS 可選 TEDS Available |
|
電纜線連接方式Wire Connection | Ex + : 紅 Red; Ex - : 黑 Black; Sig + : 綠 Green; Sig - : 白 White |
其他信息:
如您有其他的需要,如量程、尺寸、安裝位置、內置變送器等其他要求,請于我們聯系,我們可為您量身定做。
也歡迎您來我司蒞臨指導。